The Impulse CAD Challenge

Welcome to the Impulse CAD Challenge! Are you looking to have a little fun while honing your CAD design skills? You found the right place!

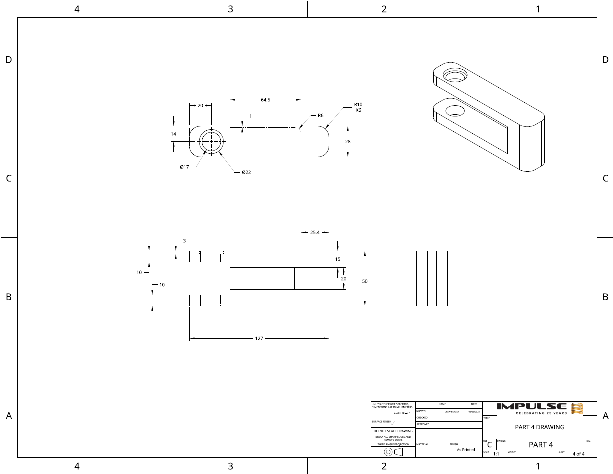
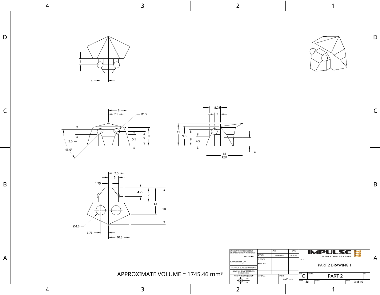
All of the posts below contain two-dimensional prints that define a part for you to model. Each part is one component of an entire assembly. Once you complete all the parts of a challenge, they can be 3D printed and assembled together.

Another part of the challenge is to see how fast you can model each part. Start a timer before you open the two-dimensional print, and time yourself. Please let us know how long it took you and what software you used to create your CAD model. (Sign up below to learn where to email your results.)