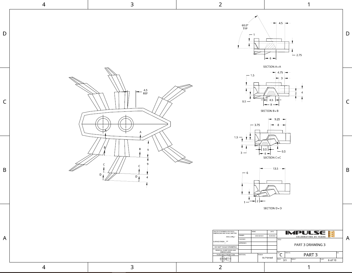
Challenge 2 - Part 3

Here’s the Part 3 of Challenge 2! Start a timer and model the part below.

If you’re willing, once you complete the design, please create a post on LinkedIn and tag @ImpulseProductDevelopment. Tell us how long it took you to design the part, what software you used, what you think we’re designing.

Also, if you print the parts and put them together, post a picture and tag us!

Thanks for playing along!

Don’t want to post on LinkedIn? Will you tell us how you did using this form?

Previous
Previous

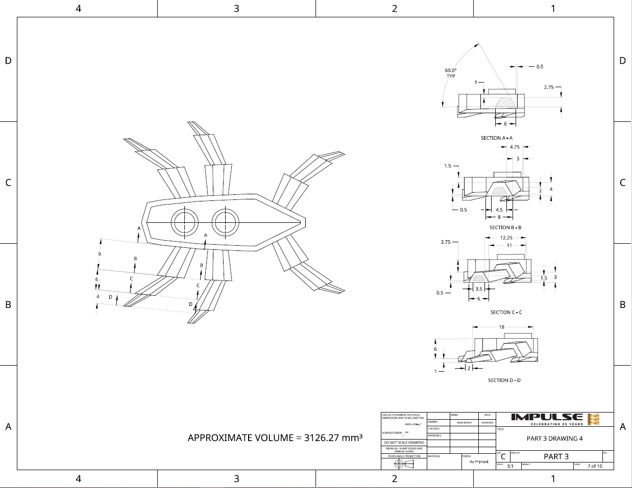
Challenge 2 - Part 4

Next
Next

Challenge 2 - Part 2